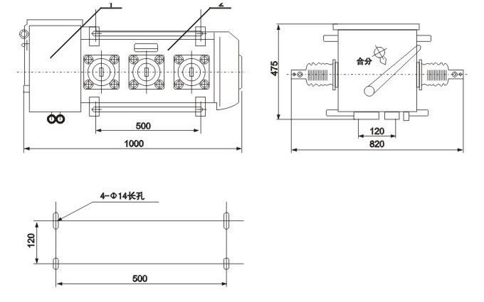
LW3-12系列六氟化硫断路器是一种用SF6气体作为灭弧和绝缘介质的柱上断路器,是目前城网和农网推广使用的换代产品,其优良的性能价格比,是目前其他12KV级户外断路器不可比拟的。LW3-12系列六氟化硫断路器是符合GB1984-89《交流高压断路器》开发的,其电气和机械性能符合DL402-91《交流高压断路器订货技术条件》和GB11022-89《高压开关设备通用技术条》的要求。适用于额定电压12KV,额定频率50Hz的电力系统中,供中小型电站及分支线路上作为控制和保护开关之用。
特点:三级共箱式,结构简单,布置紧凑;动力输出为转动式,密封效果好。本体内运动质量小减轻了操作功,提高了机械寿命。旋转电弧技术的应用,提高了灭弧效率和电寿命。本体结构的独立性,可派生出具有不同性能和安装方式的产品。与真空和油断路器相比,在结构、重量、安全性、耐电强度、电寿命、维护和造价等方面有显著的优越性。可根据用户需求进行特殊布置及配置不同变比的保护,测量用互感器。

Copyright 2017
乐清市杰鸿电气有限公司版权所有